尊龙凯时人生就是搏
咨询热线:0577-6737-1111
English
网站首页
关于尊龙凯时人生就是搏
新闻动态
产品中心
售后服务
联系我们
当前位置:
首页
>>
产品中心
>> 电动调节阀
电站阀
蝶阀
球阀
平板阀
美标日标
水力控制阀
调节阀
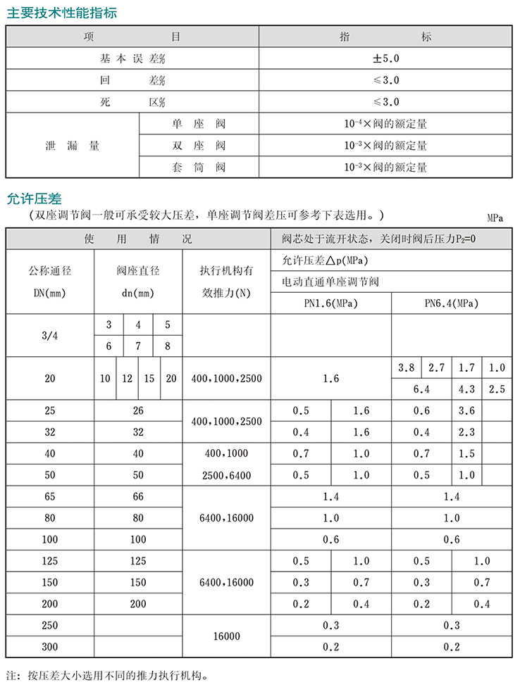
名称:电动调节阀
详细信息
上一篇:ZZCP(N)-1型自力式差压调压阀
下一篇:电动三通合流(分流)调节阀
热门推荐
磅级电站用直流式对焊截止阀
电站用锻钢电动对焊截止阀
电站用铸钢止回阀
中、高压法兰楔式闸阀
升降式止回阀
XML地图